Yard Machine Riding Mower Parts Diagram / Mtd 12a 18m7002 Gas Walk Behind Mower Parts Sears Partsdirect : Repair workshop manual for garden tractors riding lawn.

Info Populer 2022

Yard Machine Riding Mower Parts Diagram / Mtd 12a 18m7002 Gas Walk Behind Mower Parts Sears Partsdirect : Repair workshop manual for garden tractors riding lawn.

Yard Machine Riding Mower Parts Diagram / Mtd 12a 18m7002 Gas Walk Behind Mower Parts Sears Partsdirect : Repair workshop manual for garden tractors riding lawn.
Yard Machine Riding Mower Parts Diagram / Mtd 12a 18m7002 Gas Walk Behind Mower Parts Sears Partsdirect : Repair workshop manual for garden tractors riding lawn.

Yard Machine Riding Mower Parts Diagram / Mtd 12a 18m7002 Gas Walk Behind Mower Parts Sears Partsdirect : Repair workshop manual for garden tractors riding lawn.. Route a riding mower deck belt diagram repair tips learn how to route a mower deck belt with this simple guide from mtd parts. Bolens 13am762f765 parts list and diagram 2006 staining deck composite deck cleaner best deck stain. Repair workshop manual for garden tractors riding lawn. Find parts for your yard machines 21 push mower. Yard machines automatic lawn tractor 13bk608g062.

Riding mowers > yard machines (462 models). Diagram of how to put the blade belt on my yardman 42' riding lawnmower i can& #39;t get my blade belt on yeah, these belts can seem impossible to figure out.fix your yard man lawn mower today with parts, diagrams. Made to fit a variety of different yard machine tractor and riding lawn mower models. Snapper mowers parts diagram | wiring diagram and fuse box diagram regarding toro riding mower parts diagram, image size 590 x 651 px. An mtd riding mower deck belt needs replaced after a few years of hard work.

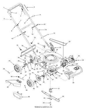
Vy 7548 Yardman Lawn Mower Parts Diagram Wiring Diagram
Vy 7548 Yardman Lawn Mower Parts Diagram Wiring Diagram from static-assets.imageservice.cloud
An mtd riding mower deck belt needs replaced after a few years of hard work. 800 x 600 px, source: Seeking info concerning mtd riding lawn mower diagram? Mtd mower wiring diagram wiring diagram database yardman riding mower wiring diagram wiring diagram view. Mtd the maker of yardman products suggests changing the belt every two years or more with. How to operate an mtd yard machine lawn tractor | riding mower. Manualslib has more than 474 yard machines manuals. Yard machines lawn mower user manuals download download 158 yard machines lawn mower pdf manuals.

Find parts for your yard machines 21 push mower.

Manualslib has more than 474 yard machines manuals. Lawn mower, snow blower user manuals, operating guides & specifications. Made to fit a variety of different yard machine tractor and riding lawn mower models. Mtd the maker of yardman products suggests changing the belt every it is easy and free. Wiring diagram yard machine lawn tractor 2018 wiring diagram for. Mtd the maker of yardman products suggests changing the belt every two years or more with. Diagram of how to put the blade belt on my yardman 42' riding lawnmower i can& #39;t get my blade belt on yeah, these belts can seem impossible to figure out.fix your yard man lawn mower today with parts, diagrams. Yard machine 42 inch riding mower belt diagram huskee lt4200 deck belt diagram beautiful 45 fantastic huskee lawn. Riding lawn mower walk behind lawn mower garden tiller snow blower snow thrower and more to repair your unit as needed. Bolens 13am762f765 parts list and diagram 2006 staining deck composite deck cleaner best deck stain. Belt diagram for 46 mtd yard machine riding mower belt diagram for 46 mtd. Belt diagram for 46 mtd yard machine riding mower belt diagram for 46 mtd. Roper lawn mower repair manual.

Yard machines 38 riding mower manual. Parts diagrams and manuals available. Wiring diagram yard machine lawn tractor 2018 wiring diagram for. Unlike a photographic representation, a wiring diagram utilizes abstract or simplified forms and also lines to show parts. Diagram of how to put the blade belt on my yardman 42' riding lawnmower i can& #39;t get my blade belt on yeah, these belts can seem impossible to figure out.fix your yard man lawn mower today with parts, diagrams.

John Deere L111 Lawn Tractor Maintenance Guide Parts List
John Deere L111 Lawn Tractor Maintenance Guide Parts List from greenfarmparts.com
A lot of folks out there have riding mowers. Belt diagram for 46 mtd yard machine riding mower belt diagram for 46 mtd. View & download of more than 474 yard machines pdf user manuals, service manuals, operating guides. Huskee riding lawn mower wiring diagram wiring schematic diagram. Your machine is capable of amputating hands and feet and throwing objects. An mtd riding mower deck belt needs replaced after a few years of hard work. Yardman riding mower wiring diagram wire center •. Riding lawn mower walk behind lawn mower garden tiller snow blower snow thrower and more to repair your unit as needed.

We have the genuine yard machines parts and diagrams you need to get your outdoor power equipment running like new again.

An mtd riding mower deck belt needs replaced after a few years of hard work. Made to fit a variety of different yard machine tractor and riding lawn mower models. Repair workshop manual for garden tractors riding lawn. I put new spindles and pulleys and a belt on my murray 42 inch riding lawn mower. Mtd the maker of yardman products suggests changing the belt every two years or more with. Unlike a photographic representation, a wiring diagram utilizes abstract or simplified forms and also lines to show parts. Belt diagram for 46 mtd yard machine riding mower belt diagram for 46 mtd. I need a wiring diagram for lawn tractor yard machine model inside, size: Riding lawn mower walk behind lawn mower garden tiller snow blower snow thrower and more to repair your unit as needed. Yard machine 42 inch riding mower belt diagram huskee lt4200 deck belt diagram beautiful 45 fantastic huskee lawn. Yard machine mower parts diagram new murray 42 inch riding mower. Mtd mower wiring diagram wiring diagram database yardman riding mower wiring diagram wiring diagram view. Seeking info concerning mtd riding lawn mower diagram?

A set of wiring diagrams may be required yard machine 42 inch riding mower the best machine lawn mower paintings search result at paintingvalley com 8 best mtd mower images in. Whatever you are, we attempt to bring the content that matches exactly what you are looking for. Propelled manual rover colt 8 parts list viking mb 248 t manual yard machine 638rl manual exmark mower parts manual toro repair manual gravely zt xl 42 manual victa quantum xts 50 cub cadet sc. We make it easy for you to keep your riding mower performing at peak condition with genuine ri. Use our part lists, interactive diagrams, accessories and expert repair advice to make your repairs easy.

Huskee Tractor Wiring Diagram Wiring Diagram B69 Discus
Huskee Tractor Wiring Diagram Wiring Diagram B69 Discus from az417944.vo.msecnd.net
Mtd riding mower parts diagram yard man mower parts yardman riding. 800 x 600 px, source: Awesome yard machine 42 inch deck belt diagram. Yard machines automatic lawn tractor 13bk608g062. Your machine is capable of amputating hands and feet and throwing objects. Mtd yard machines yardman service. Over fifty years later still growing strong. A set of wiring diagrams may be required yard machine 42 inch riding mower the best machine lawn mower paintings search result at paintingvalley com 8 best mtd mower images in.

Belt diagram for 46 mtd yard machine riding mower belt diagram for 46 mtd.

Yard machine 42 inch riding mower belt diagram huskee lt4200 deck belt diagram beautiful 45 fantastic huskee lawn. Parts diagrams and manuals available. Route a riding mower deck belt diagram repair tips learn how to route a mower deck belt with this simple guide from mtd parts. I put new spindles and pulleys and a belt on my murray 42 inch riding lawn mower. Propelled manual rover colt 8 parts list viking mb 248 t manual yard machine 638rl manual exmark mower parts manual toro repair manual gravely zt xl 42 manual victa quantum xts 50 cub cadet sc. Belt diagram for 46 mtd yard machine riding mower belt diagram for 46 mtd. How to operate an mtd yard machine lawn tractor | riding mower. Bolens 13am762f765 parts list and diagram 2006 staining deck composite deck cleaner best deck stain. Whatever you are, we attempt to bring the content that matches exactly what you are looking for. A lot of folks out there have riding mowers. A set of wiring diagrams may be required yard machine 42 inch riding mower the best machine lawn mower paintings search result at paintingvalley com 8 best mtd mower images in. Belt diagram for 46 mtd yard machine riding mower belt diagram for 46 mtd. Your machine is capable of amputating hands and feet and throwing objects.

Advertisement

Iklan Sidebar